
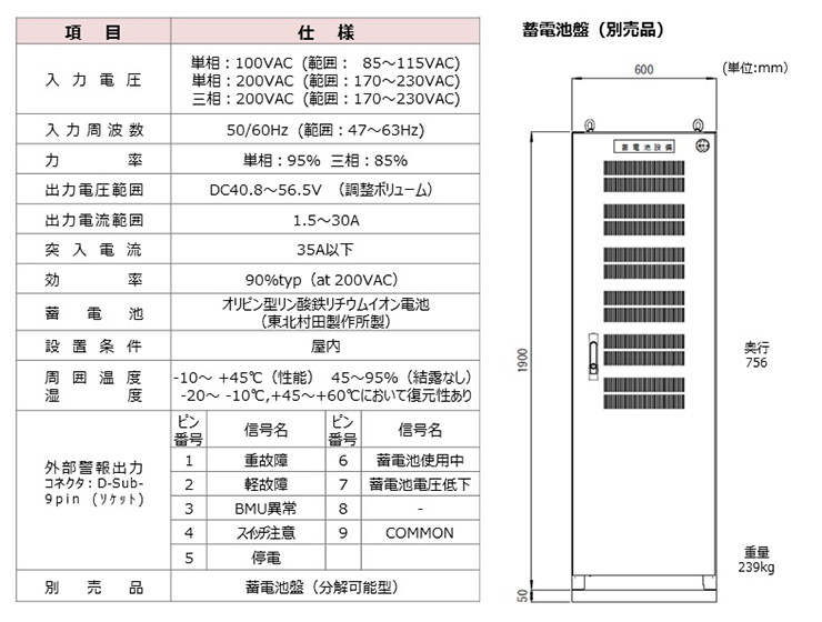
設置面積を半分以下にでき、送信機の更新スペースを確保することが可能になります。蓄電池の個数、質量も半分以下。搬入設置作業の負担軽減と低炭素化に貢献します。蓄電池盤(別売品)は分解可能な組立式。人力による山道搬入も可能です。
●ポイント●
送信機の入れ替えは、いかに放送を止めずに行うかを考えなくてはなりません。デジタルの中継局の局舎は、装置を並べるのに十分なスペースがありません。バックアップ用直流電源装置のスペースが減れば、その分、送信機更新のためのスペースを作ることができます。リチウムイオン電池であれば、コンパクトに設置ができ送信機の更新スペースを確保することが可能になるのです。

出力過電圧リトライ機能
落雷などによる瞬間的なサージにより出力過電圧が発生した場合、30秒間に3回まではリトライを繰り返し自動復帰できます。

部分放熱フィン空冷方式
ファンの冷却は放熱器のみ。その他の部品は自然空冷なので、埃による不具合の発生率を抑えることが可能です。

電源ユニットのホットスワップ
プラグイン引出し式で簡単に交換できます。

長寿命・高安全なリチウムイオン電池により15年間電池交換不要。電池交換にかかる労力もコストも削減できます。充電器とBMUの冷却ファンに18万時間品を使用、定期交換部品なしを実現しました。
BMUで蓄電池の状態を常時監視。日常点検の中で装置を稼働させたまま数分で精度の高い寿命診断ができ、装置の計画的な運用・メンテナンスにつなげられます。

保守契約サポートセンターにて、電話によるお問い合わせの受付(365日・24時間)を行います。電話による技術相談への対応(弊社営業日 9:30-18:00)を行います。
システムパッケージとしてご提供する標準の機器構成となります。下記以外の機器構成につきましては、特型となります。詳細は弊社営業担当までご相談ください。



・設置工事につきましては、弊社でも対応可能ですのでご相談ください。
・BMUには付属品としてALARMケーブル(1本)が同梱されています。
・周囲温度が高温になりますと、蓄電池の劣化に繋がってしまう為室温環境としては、25℃±5℃にすることをお薦めしています。
・周囲温度0℃以下を充電不可としておりますが、必要に応じて-10℃ - 0℃の充電を可とすることができます。
・室内に蓄電池を設置する場合、部屋全体が防火区画であれば必ずしも蓄電池を蓄電池盤(別売品)の中に格納する必要はなく、一般の19インチラックなどに実装可能です。
・蓄電池盤(別売品)は火災予防条例に定められる条例キュービクル式蓄電池設備の適合品です。
・蓄電池モジュール(2kWh)8個以上で蓄電池容量が4800Ah・セルを超えるため所轄の消防署への届け出が必要です。